Reduktor VarmoTech FBT3 S95 M19 1.5

Reduktor na izmenični tok s hitrostjo 1,5 vrtljaja na minuto z 9,5 mm gredjo, z vrtenjem v smeri urinega kazalca.
Prihranek 0.00 (- 0 %)

142,80 € 142,80 € 142.8 EUR

117,05 €

    Ta kombinacija ne obstaja.

     

    Zasnovan za uporabo pri nizkih hitrostih in visokem navoru. Reduktor FB1268 je primeren za uporabo kot pogon za nalaganje peletov.

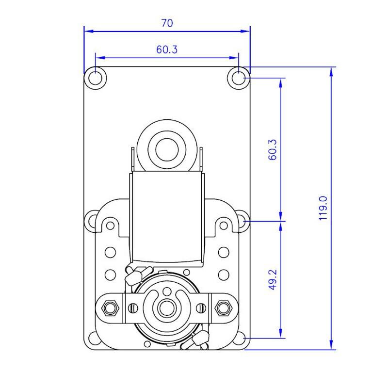
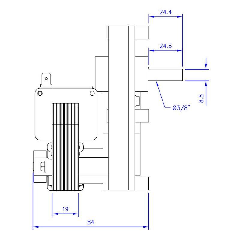
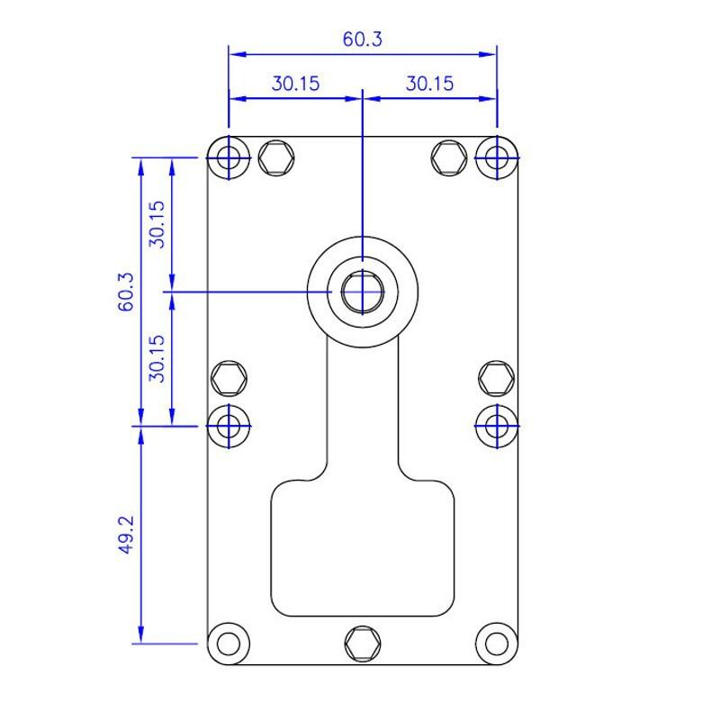
    Tehnični podatki

    Splošni podatki
    Hitrost vrtenja1,50 RPM
    Magnetno jedro19 mm
    Premer gredi9,50 mm
    Utor grediEnojni
    VrtenjeV smeri urinega kazalca
    Izhodni navor23 Nm
    Enkoder
    Napajanje
    Moč19 W
    Napajanje230/1/50 V/Ø/Hz
    Fizične dimenzije
    Dimenzije (Š x G x V) 0.0 x 0.0 x 0.0 mm
    Neto teža 1.9 kg
    This is a preview of the recently viewed products by the user.
    Once the user has seen at least one product this snippet will be visible.

    Ocene in komentarji